Перетворювачі частоти
- Перетворювачі частоти від сервісного центру
- Діагностика і ремонт перетворювачів частоти
- Перетворювачі частоти з низьким рівнем гармонік
- Перетворювачі частоти замість водонапірних веж
- Перетворювачі частоти, яким довіряє світ
- VLT® 2800
- VLT® Micro Drive FC 51
- VLT® HVAC Drive FC 102
- VLT® AQUA Drive FC 202
- VLT® Automation Drive FC 300
- Перетворювач частоти VLT Micro Drive FC 51
- Перетворювачі частоти VLT 2800
- Перетворювачі частоти FC 202 – програмування
- Перетворювачі частоти та заземлення
- Перетворювачі частоти і їх «капризи»
- Перетворювачі частоти – чому виходять з ладу?
- Перетворювачі частоти і дистанційне управління
- Ремонт перетворювачів Данфосс
- Перетворювачі частоти та ПІД-регулятор
- Перетворювачі частоти та електромагнітна сумісність
- Перетворювачі частоти та моторний кабель
- Чому саме Danfoss ?
- Гарантія на перетворювачі частоти
- Заявка на ремонт
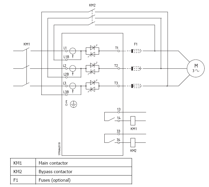
| Шестипроводная схема включения УПП |
|
|
|
|
Если напряжение питания асинхронного двигателя 660В/380В (Y/D) и имеется доступ к шести выводам обмотки, то для его запуска можно использовать устройство плавного пуска (УПП), мощность которого почти в два раза (1,73) меньше мощности двигателя.
Однако если обмотки двигателя включены в треугольник и имеется свободный доступ к шести выводам обмотки, то устройство плавного пуска может быть включено и по шестипроводной схеме. На рис. 2 приведена схема электрическая принципиальная такого включения. При такой схеме включения УПП уже регулирует фазный ток двигателя, который в 1,73 раза меньше линейного тока, что дает возможность произвести плавный пуск двигателя, мощность которого может быть в 1,73 раза больше мощности УПП. При использовании шестипроводной схемы включения УПП обязательно убедитесь в том, что устройство плавного пуска имеет такой режим работы, а напряжение питания двигателя – 660В/380В (Y/D). Преимущества такого включения очевидны – Вы экономите денежные средства при одинаковом качестве регулирования.
Обратите внимание и на то, имеет ли УПП обводной контактор, это важно. Устройства для плавного пуска двигателей рассеивают приблизительно 4,5 Вт/А и, например, при токе двигателя 100 А потери будут составлять уже 450 Вт. Эти потери в виде тепла, в летний период, повышают температуру в шкафу, в котором установлен УПП. Повышение температуры электронных компонентов на каждые 10 градусов снижает их надежность в два раза. Зачем снижать надежность? |
Економія електроенергії
- Заміна водонапірних веж
- Енергозбереження на КНС
- Енергозбереження на ВНС
- Енергозбереження на артезіанських свердловинах
- Енергозбереження в системах вентиляції
- Портативний вимірювач рівня води в свердловині
- Вимірювач динамічного і статичного рівня води
- Оренда вимірювача динамічного і статичного рівня води
- Компенсація реактивної потужності
- Проблеми компенсації реактивної потужності
Насосні станції
Опитування
Випадкове фото





